This corrosion-resistant valve is used as a bypass valve and is also a used for back pressure control applications such as maintaining constant pump discharge pressures, limiting pump overpressure and bypassing excessive pressures from various types of process equipment, and wherever a constant pressure must be maintained in a process or piping system. This back pressure valve can be used for corrosive or mildly corrosive fluids, only when the proper materials are selected and applied. When liquids or gases contain debris or other solid matter which might cause internal clogging or improper operation of the back pressure/bypass valve, a filter or strainer with a fine wire mesh (at least a #20 mesh) should be installed before the inlet of the valve. High-pressure in-line strainer fittings or simplex basket strainers can be purchased from Straval.
This particular model should only be applied where the outlet pressure is relatively low, near
atmospheric pressure, except for normal piping losses. Where the outlet pressures in the discharge piping are elevated and stay elevated, re-seating of the valve will take place at a much lower pressure than the original set pressure. The valve will re-seat itself to its original set pressure once the outlet pressure is reduced to its original value when the valve was set. If this behavior is not acceptable, contact Straval for a balanced piston model, one that is designed to compensate for high outlet pressures.
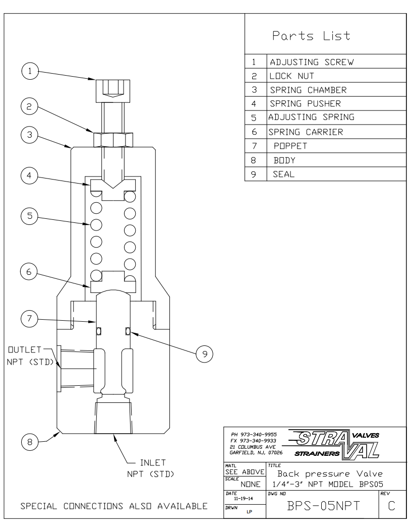
Although the valve is typically installed in the position illustrated, it can operate in any position or orientation, vertical horizontal, etc as long as it can be easily accessed for making adjustments.
Do not oversize a back pressure valve simply because the piping is already oversized, unless it has a reduced trim option designed into it. Because very often this will result in "valve chatter" when the capacity for which the valve is designed for is too low. This is because an oversized valve seat for a very low flow rate barely opens to satisfy an overpressure condition, only to close again very quickly. This repeated action usually at very low flows, results in valve chatter and can eventually result in severe valve seat damage. This can often be corrected by replacing the piston with a reduced trim version to match the lower flow conditions that were not anticipated. Special custom trim can be designed to tolerate very low flows when these conditions are specified and such trim requested. This must be quoted on request.
Where an overpressure condition needs to be relieved quickly, such as for emergency relief, use the closely related high pressure relief valve (RVC05). Both models have the same maximum relieving capacity, except the BPS05 is designed to control the relief pressure more gradually at the lower capacities resulting in less of a chance for pressure spikes and possible valve chatter at low capacities. This make the BPS05 model more suitable for pump bypass service or for back pressure control than the RVC05.
We now offer some models that meet NACE MR0175. These are not priced online. Consult factory.
These valves do not have carry the Canadian CRN or ASME approval stamp and should not be applied where this requirement must be met. However, the valves generally meet or exceed ASME design criteria with wall thicknesses that are much heavier than the minimums required. For an additional charge, valves can be ordered with material certs and with a certified hydro-test certificate and other tests to meet special documentation and acceptance requirements.
Standard metal seated valves meet ANSI/FCI Class IV seat leakage standards (0.01% of rated valve capacity, not bubble tight).
Scroll down below to select the valve size, spring range, material options in the customized pricing and ordering section indicated by the red arrows. You have the ability to customize your valve choices by selecting the wetted and nonwetted materials, and choice of seat materials to suit your shutoff requirements, using the softer seats for improved shutoff, particularly for air or gas applications where they are available at the lower pressures. Once these selections are made a price quote can be generated and printed directly to your computer or immediately e-mailed to you.
When ordering don't forget to state your desired relief set pressure if you expect the valve to relieve at only one pressure. This pressure will be stamped on the valve nameplate. If the set pressure is not specified, the valve will be set at or below the stated spring range as selected for the order and no set pressure will be stamped on the nameplate.
Although this valve operates very similar to a relief valve which is usually designed to release pressure quickly as soon as the set pressure is exceeded, this valve is designed to relieve pressure more gradually with changes in flow resulting in fewer pressure spikes when the valve opens and closes. This is a direct-acting valve with an adjustable spring operating against a piston subjected to the inlet pressure of the valve. Increasing the spring compression will increase the system or line pressure to be maintained. Reducing the spring compression will reduce the system or line pressure to be maintained. An increase in system pressure beyond the set point will cause the main valve to open and relieve or bypass the excess pressure.
The valve will operate in a vertical orientation as illustrated, horizontal, or any other orientation.
These valves are not equipped with a manual lever release. However, manual override is accomplished by first locking the spring lock nut to the adjusting screw and backing it out enough to open the poppet to release pressure, and then repositioning it to its original preset locked condition without losing the original set pressure. This procedure is recommended periodically to flush the seat and to check for proper opening of the valve piston.